|
جزئیات محصول:
پرداخت:
|
| برجسته کردن: | پمپ هیدرولیک جابجایی متغیر |
||
|---|---|---|---|
پورت سوپاپ جانبی پیستون فشار هیدرولیک فشار قوی HA10VSO DFLR سری
جزئیات سریع
پیستون محوری
فشار، جریان، کنترل گشتاور
شفت محور
مهر و موم پربونن
برای کامیون پمپ بتن
پمپ محوری گشتاور HA10VSO سری DFLR
پیستون محوری، جابه جایی 45cc است.
فشار، جریان، کنترل گشتاور
چرخش بطن چپ
مهر و موم Perbunan
شفت محور
SAE 2 سوراخ موضوع متریک UNC
نوع پورت جانبی، پمپ تک
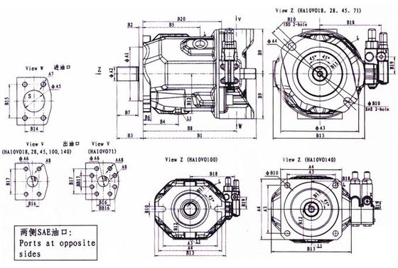
A10VSO28، A10VSO45، A10VSO71، A10VSO100، A10VSO140

جابه جایی | مونتاژ فلنج A (B) ISO (4) - سوراخ | نصب فلنج C (D) SAE 2 (4) - سوراخ | A4 | A5 | A6 | ||||||||
A1 | A3 | B2 | B10 | L (L1) | A1 | A3 | B2 | B10 | L (L1) | ||||
18 | 80h8 | 109 | 7 | 11 | M16 × 1.5 | 82.55h8 | 106.4 | 6.3 | 11 | 9 / 16-18UNF | 134 | 25 | 20 |
28 | 100h8 | 140 | 9 | 14 | M18 × 1.5 | 101.6h8 | 146 | 9.5 | φ14 | 3 / 4-16 UNF | 174 | 32 | 20 |
45 | 100h8 | 140 | 9 | 14 | M22 × 1.5 | 101.6h8 | 146 | 9.5 | φ14 | 7 / 8-14 UNF | 174 | 40 | 25 |
71 | 125h8 | 180 | 9 | 18 | M22 × 1.5 | 127 هشتم | 181 | 12.7 | φ18 | 7 / 8-14 UNF | 210 | 50 | 25 |
100 | 125h8 | 180 | 9 | 17.5 | M27 × 2 | 127 هشتم | 181 | 12.7 | 17.5 | 11 / 16-12 UNF | 210 | 60 | 32 |
140 | 180 ساعت | 158.4 × 158.4 | 9 | φ18 | M27 × 2 | 152.4h8 | 161.6 × 161.6 | 12.7 | φ20 | 11 / 16-12 UNF | 200 × 200 | 63 | 32 |
نوع پورت نفتی ابعاد
جابه جایی | جاده های مخالف | جاده در عقب | (UNC) | |||||||||||
B1 | B8 | B9 | B18 | B19 | B20 | B1 | B8 | B9 | B18 | B19 | B20 | A7 | A8 | |
18 | 195 | 145 | 63 | 109 | 40 | 130 | M10 (3/8 تا 16 سانتیمتر) | M10 (3/8 تا 16 سانتیمتر) | ||||||
28 | 206 | 164 | 80 | 119 | 40 | 140 | 225 | 170 | 45 | 73 | 43 | 209 | M10 (7/16 تا 14 سانتیمتر) | M10 (3/8 تا 16 سانتیمتر) |
45 | 224 | 184 | 90 | 129 | 40 | 155 | 244 | 189 | 50 | 81.5 | 40 | 228 | M12 (1 / 2-13UNC) | M10 (3/8 تا 16 سانتیمتر) |
71 | 259 | 217 | 104 | 143 | 40 | 183 | 278 | 223 | 58 | 91.5 | 40 | 262 | M12 (1 / 2-13UNC) | M10 (3/8 تا 16 سانتیمتر) |
100 | 329 | 275 | 100 | 148 | 40 | 250 | 344 | 288 | 55 | 99 | 40 | 327 | M12 (1 / 2-13UNC) | M14 (1 / 2-13 سانتیمتر) |
140 | 337.5 | 275 | 110 | 183 | 27 | 222 | 379 | 293 | 60 | 140 | 27 | 353 | M12 (1 / 2-13UNC) | M14 (1 / 2-13 سانتیمتر) |
اندازه جهانی
CC | B4 | B5 | B6 | B11 | B12 | B13 | B14 | B15 | B16 | B17 | ایکس | ب | S |
18 | 43 | 83 | 11.5 | 67 | 66 | 152 | 26.2 | 52.4 | 22.2 | 47.6 | 7 / 16-20UNF | 3/4 " | 1 " |
28 | 40 | 90 | 13 | 74 | 75 | 164 | 30.2 | 58.7 | 22.2 | 47.6 | 7 / 16-20UNF | 3/4 " | 11/4 " |
45 | 45 | 96 | 13 | 83 | 81 | 184 | 35.7 | 69.9 | 26.2 | 52.4 | 7 / 16-20UNF | 1 " | 11/2 " |
71 | 53 | 115 | 17 | 98 | 92 | 210 | 42.9 | 77.8 | 30.2 | 58.7 | 7 / 16-20UNF | 1 " | 2 " |
100 | 95 | 175 | 20 | 106 | 95 | 236 | 50.8 | 88.9 | 31.8 | 66.7 | 7 / 16-20UNF | 11/4 " | 21/2 " |
140 | 78 | 173 | 21 | 118.5 | 108 | 262 | 50.8 | 88.9 | 31.8 | 66.7 | M14 × 1.5 | 11/4 " | 21/2 " |