|
جزئیات محصول:
پرداخت:
|
| برجسته کردن: | پمپ کنترل جریان |
||
|---|---|---|---|
پمپ های هیدرولیک محوری با سرعت بالا برای جابجایی 45cc حفاری
توضیحات محصول دقیق
پمپ هیدرولیک محوری با سرعت بالا برای جابجایی 45cc حفار
جزئیات سریع
پمپ هیدرولیکی متغیر با فشار بالا
پیستون محوری
جابجایی 18cc / 28cc / 45cc است
چرخش بطن چپ
برای بیل مکانیکی، ماشین ابزار
پیستون محوری، جابجایی 18cc / 28cc / 45cc / 71cc / 100cc / 140cc است.
فشار و کنترل جریان
چرخش بطن چپ
مهر و موم Perbunan
شفت اسپلیت
SAE 2 سوراخ UNC اینچ
قسمت پشتی درب عقب، می تواند یک پمپ دیگر را وصل کند
مشخصات فنی:
مشخصات فنی: |
|
|
| 16/18 | 28 | 45 | 71 | 100 | 140 |
جابه جایی |
| V g حداکثر | cm 3 | 18 | 28 | 45 | 71 | 100 | 140 |
حداکثر سرعت |
| n حداکثر | رمپ | 3300 | 3000 | 2600 | 2200 | 2000 | 1800 |
حداکثر جریان | در n حداکثر | q v | L / دقیقه | 59.4 | 84 | 117 | 156 | 200 | 252 |
در 1500 رمپ / دقیقه | 27 | 42 | 68 | 107 | 150 | 210 | |||
حداکثر قدرت (Δp = 280bar)
| در n حداکثر | حداکثر P | کیلو | 27.7 | 39 | 55 | 73 | 93 | 118 |
در 1500 رمپ / دقیقه | 12.6 | 20 | 32 | 50 | 70 | 98 | |||
حداکثر گشتاور (Δp = 280bar)
| در V g max | Tmax | Nm | 80.1 | 125 | 200 | 316 | 445 | 623 |
وزن |
| متر | کیلوگرم | 12 | 15 | 21 | 33 | 45 | 60 |
پیستون محوری، جابجایی 18cc / 28cc / 45cc / 71cc / 100cc / 140cc است.
فشار و کنترل جریان
چرخش بطن چپ
مهر و موم Perbunan
شفت اسپلیت
SAE 2 سوراخ UNC اینچ
قسمت پشتی درب عقب، می تواند یک پمپ دیگر را وصل کند
برنامه های کاربردی:
سیستم هیدرولیک. سیستم هیدرولیک کشتی.
بیل مکانیکی، ماشین ابزار، کشاورزی، گل مایع، حفاری نفتی
مزیت:
کیفیت خوب، قیمت رقابتی و تحویل سریع.
نویز کم، SmallVolume
A10VSO28، A10VSO45، A10VSO71، A10VSO100، A10VSO140

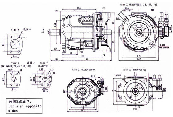
جابه جایی | مونتاژ فلنج A (B) ISO (4) - سوراخ | نصب فلنج C (D) SAE 2 (4) - سوراخ | A4 | A5 | A6 | ||||||||
A1 | A3 | B2 | B10 | L (L1) | A1 | A3 | B2 | B10 | L (L1) | ||||
18 | 80h8 | 109 | 7 | 11 | M16 × 1.5 | 82.55h8 | 106.4 | 6.3 | 11 | 9 / 16-18UNF | 134 | 25 | 20 |
28 | 100h8 | 140 | 9 | 14 | M18 × 1.5 | 101.6h8 | 146 | 9.5 | φ14 | 3 / 4-16 UNF | 174 | 32 | 20 |
45 | 100h8 | 140 | 9 | 14 | M22 × 1.5 | 101.6h8 | 146 | 9.5 | φ14 | 7 / 8-14 UNF | 174 | 40 | 25 |
71 | 125h8 | 180 | 9 | 18 | M22 × 1.5 | 127 هشتم | 181 | 12.7 | φ18 | 7 / 8-14 UNF | 210 | 50 | 25 |
100 | 125h8 | 180 | 9 | 17.5 | M27 × 2 | 127 هشتم | 181 | 12.7 | 17.5 | 11 / 16-12 UNF | 210 | 60 | 32 |
140 | 180 ساعت | 158.4 × 158.4 | 9 | φ18 | M27 × 2 | 152.4h8 | 161.6 × 161.6 | 12.7 | φ20 | 11 / 16-12 UNF | 200 × 200 | 63 | 32 |
نوع پورت نفتی ابعاد
جابه جایی | جاده های مخالف | جاده در عقب | (UNC) | |||||||||||
B1 | B8 | B9 | B18 | B19 | B20 | B1 | B8 | B9 | B18 | B19 | B20 | A7 | A8 | |
18 | 195 | 145 | 63 | 109 | 40 | 130 | M10 (3/8 تا 16 سانتیمتر) | M10 (3/8 تا 16 سانتیمتر) | ||||||
28 | 206 | 164 | 80 | 119 | 40 | 140 | 225 | 170 | 45 | 73 | 43 | 209 | M10 (7/16 تا 14 سانتیمتر) | M10 (3/8 تا 16 سانتیمتر) |
45 | 224 | 184 | 90 | 129 | 40 | 155 | 244 | 189 | 50 | 81.5 | 40 | 228 | M12 (1 / 2-13UNC) | M10 (3/8 تا 16 سانتیمتر) |
71 | 259 | 217 | 104 | 143 | 40 | 183 | 278 | 223 | 58 | 91.5 | 40 | 262 | M12 (1 / 2-13UNC) | M10 (3/8 تا 16 سانتیمتر) |
100 | 329 | 275 | 100 | 148 | 40 | 250 | 344 | 288 | 55 | 99 | 40 | 327 | M12 (1 / 2-13UNC) | M14 (1 / 2-13 سانتیمتر) |
140 | 337.5 | 275 | 110 | 183 | 27 | 222 | 379 | 293 | 60 | 140 | 27 | 353 | M12 (1 / 2-13UNC) | M14 (1 / 2-13 سانتیمتر) |
اندازه جهانی
CC | B4 | B5 | B6 | B11 | B12 | B13 | B14 | B15 | B16 | B17 | ایکس | ب | S |
18 | 43 | 83 | 11.5 | 67 | 66 | 152 | 26.2 | 52.4 | 22.2 | 47.6 | 7 / 16-20UNF | 3/4 " | 1 " |
28 | 40 | 90 | 13 | 74 | 75 | 164 | 30.2 | 58.7 | 22.2 | 47.6 | 7 / 16-20UNF | 3/4 " | 11/4 " |
45 | 45 | 96 | 13 | 83 | 81 | 184 | 35.7 | 69.9 | 26.2 | 52.4 | 7 / 16-20UNF | 1 " | 11/2 " |
71 | 53 | 115 | 17 | 98 | 92 | 210 | 42.9 | 77.8 | 30.2 | 58.7 | 7 / 16-20UNF | 1 " | 2 " |
100 | 95 | 175 | 20 | 106 | 95 | 236 | 50.8 | 88.9 | 31.8 | 66.7 | 7 / 16-20UNF | 11/4 " | 21/2 " |
140 | 78 | 173 | 21 | 118.5 | 108 | 262 | 50.8 | 88.9 | 31.8 | 66.7 | M14 × 1.5 | 11/4 " | 21/2 " |